一、产品特点
1. 结构简单,可靠性高
2. 结构紧凑,相同处理量时,占用空间最小
3. 转鼓鼓面由楔形栅条制成,水力特性
4. 间隙可选:0.25,0.5,0.75,1.0,1.5,2.0,3.0mm
5. 处理量与间隙、鼓面宽度呈正线性关系
6. 材质可选:不锈钢SS304或SS316L
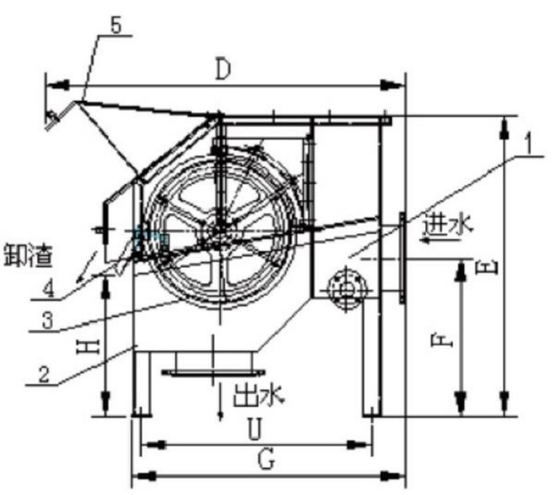
二、外形尺寸
型号 | 进 水 管 |
出 水 管 | 清洗水管 | A | C | D | E | F | G | H | K | L | S | U |
WGL 3560 | DN 100 | DN 150 | DN 15 | 11 60 | 60 0 | 95 0 | 14 70 | 10 80 | 70 0 | 10 55 | 98 5 | 11 40 | 67 6 | 55 0 |
WGL 610 | DN 150 | DN 200 | DN 15 | 12 50 | 61 0 | 15 50 | 16 00 | 98 0 | 11 75 | 94 0 | 84 1 | 10 91 | 80 6 | 99 5 |
WGL 1220 | DN 200 | DN 250 | DN 20 | 18 35 | 12 20 | 15 50 | 13 00 | 68 0 | 11 79 | 60 4 | 54 1 | 79 1 | 14 16 | 99 5 |
WGL 1830 | DN 250 | DN 300 | DN 25 | 24 45 | 18 30 | 15 50 | 16 00 | 98 0 | 11 75 | 94 0 | 84 | 10 91 | 20 26 | 99 5 |
WGL 81830 | DN 250 | DN 300 | DN 25 | 25 10 | 18 30 | 18 30 | 22 80 | 15 45 | 12 40 | 14 50 | 13 88 | 16 | 20 26 | 10 50 |
注:转鼓过滤机的高度可根据实际情况调整,图中所有关于高度的尺寸只为了说明它们之间的相对应位置
栅隙 | 0.25 | 0.5 | 0.75 | 1.0 | 1.5 | 2.5 | 转鼓直径 (mm) | 转鼓长度 (mm) |
型号 | 处理量( m³/) | |||||||
WGL 3560 | 8 | 15 | 20 | 25 | 32 | 42 | 350 | 600 |
WGL 610 | 33 | 60 | 81 | 100 | 130 | 170 | 610 | 610 |
WGL 1220 | 65 | 120 | 162 | 200 | 260 | 340 | 610 | 1220 |
WGL 1830 | 100 | 180 | 243 | 306 | 397 | 520 | 610 | 1830 |
WGL 81830 | 175 | 315 | 436 | 535 | 695 | 912 | 800 | 1830 |
2. 注:其他栅隙可定制。

1、储水仓 2、框架 3、转鼓 4、落渣板 5、检查门 6、减速电机 7、反洗水进口
内容为空!
