一、主要用途
DNT 型带式浓缩脱水一体机主要用于城市污水生化处理的剩余污泥或混合污泥的浓缩与脱水,是一种将污泥形成泥饼的高效脱水设备,可适用于给水排水、造纸、铸造、皮革、纺织、化工、食品等各个行业的污泥脱水。
二、工作原理
该设备主要由带式浓缩机与脱水机两部分组成,污泥经过投加聚凝剂后,在污泥混合器内进行充分混合反应后流入重力脱水段,在重力的作用下,污泥中的大量游离水从滤带的缝隙中流出,进入集水箱中,然后经楔形预压段导向,使污泥逐渐整平并受到轻度的挤压而进一步脱水,再进入S 型多棍压榨区段,污泥被夹在上、下层滤布中间经若干个不同直径的辊筒反复压榨。这时对污泥造成剪切,促使污泥进一步脱水,形成泥饼, 通过刮刀将泥饼刮落外运,而上、下滤带进行冲洗后重新使用。
三、主要技术参数和安装尺寸表
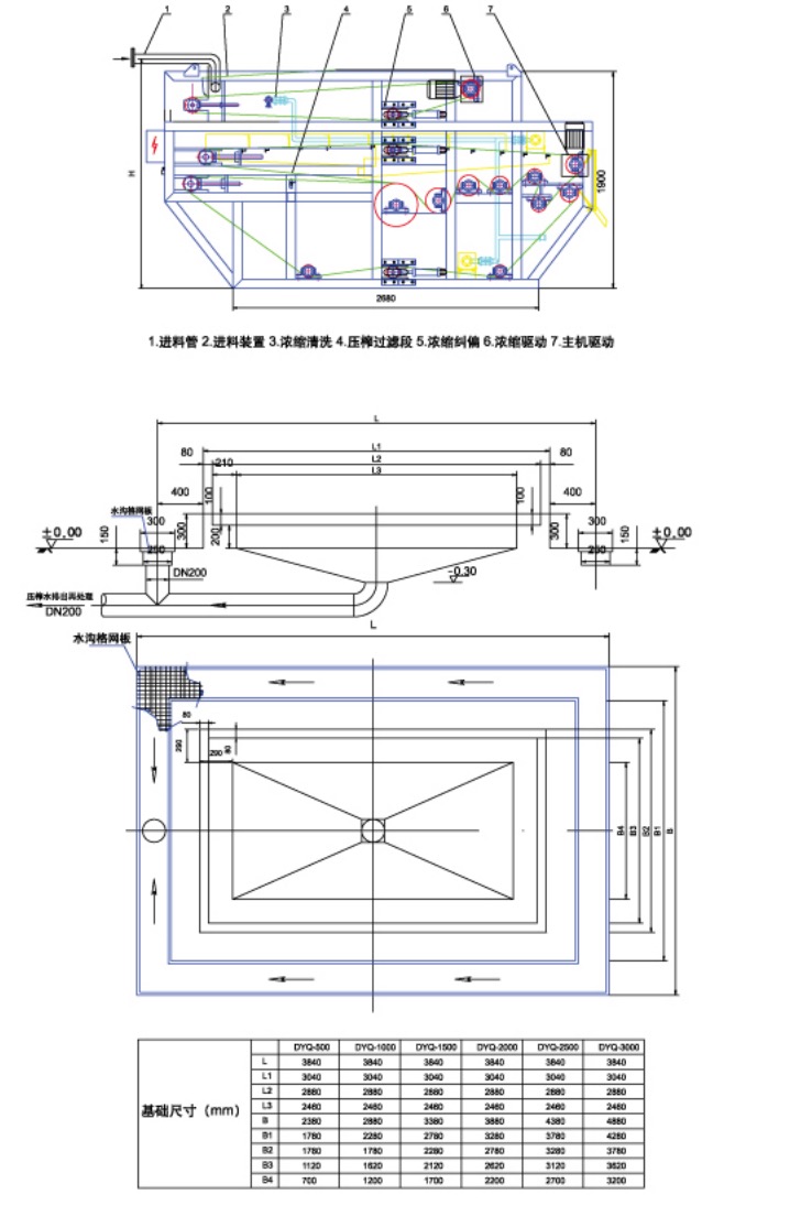
型号 参数 | DNT-500 | DNT-1000 | DNT-1500 | DNT-2000 | DNT-2500 | DNT-3000 | |
建带室度B(mm | 500 | 1000 | 1500 | 2000 | 2500 | 3000 | |
处理能力Q(m³/h) | 5~10 | 10~20 | 20~30 | 30~40 | 40~60 | 60~80 | |
外形尺寸(W×L×H) | 920×4490 ×1900 | 1420×5500 x1900 | 1920×4490 ×1900 | 1920×5500×1900 | 2920×5500 ×1650 | 3420×5500 ×1650 | |
滤带运行速度V(m/min) | 3.0~15(浓缩段) 1.2~6.0(脱水段) | ||||||
浓缩电机功率Nr(kw) | 0.55 | 0.55 | 0.75 | 1.1 | 1.5 | 1.5 | |
脱水 | 电机功率Ne(kw) | 0.75 | 1.5 | 1.5 | 2.2 | 3.0 | 5.0 |
卸 | 料口高度h(mm) | 1600 | 1600 | 1600 | 1600 | 1600 | 1600 |
冲洗水 | 耗水量(m²h) | 4.0 | 7.5 | 12.0 | 15.0 | 25.0 | 30.0 |
水压(MPa) | >0.5 | ||||||
压缩空气 | 耗气量(m³h) | 0.3 | 0.3 | 0.4 | 0.4 | 0.4 | 0.4 |
气压(MPa) | >0.7 | ||||||
剩余/混 合污泥 | 进料含水率(%) | 99.6/99.0 | |||||
泥饼含水率(%) | 80/78 | ||||||
干泥(Kgdsh-m) | 110~130 | ||||||
水力负荷(m²/h-m) | 22~26/12~16 | ||||||
四、工作特点
■无级调整电机驱动,可随时调节运行速度,适应性强;
■特制冲洗喷嘴及防堵塞装置,使滤带冲洗干净;
■脱水头棍采用T型泄水槽,压榨水迅速出流;重力脱水段呈倾斜设计,污泥的静水头加大,可增强
■脱水效果,使污泥在压榨前能充分稠化:
■整机结构紧凑,滤带自动纠偏,运行噪声低,电耗省,用药量少、脱水效果好、运行费用低。
五、外形安装尺寸图

内容为空!
