一、产品概述
S系列自清洗过滤器是一种电动刷式清洗的水过滤器,电机带动在过滤器滤网内安装一套不锈钢刚子。
适用于恶劣环境的全自动自清洗型过滤器,对于不同的使用要求可配备3500微米-300微米的滤网,过滤器的自清洗过程由一个压差信号、时间来启动。
结构型式:立式、卧式、在线式。
二、清洗过程
当过滤器进出口的压差达到预设值0.5bar或时间设定值时,过滤器将开始自清洗过程,整个自清洗过程包含两个步骤:打开位于过滤器上端盖上的隔膜排污阀;马达带动过滤器滤网内的不锈钢刷转动,被滤网所捕捉的杂质因此被钢刷刷下并从排污阀排出。整个清洗过程耗时约15-30 秒,清洗时系统不断流,过滤器的整个运行过程由随机配备的一个控制箱来控制。
三、清洗步骤
1.当压差开关侦测到滤网内外的压差达到预设值(0.5bar) 时。
2.隔膜排污阀打开与大气相通。
3.马达驱动滤网内的钢刷转动。
4.隔膜排污阀关闭。
四、控制系统
采用工业单片PLC自动控制,全中文显示。可根据压差或定时控制反冲洗,并可手动、强制清洗,断电也可清洗。现场设定过滤间隔时间、清洗时间。运行信号、清洗信号、故障信号输出及通讯信号输出。
五、制造材质
过滤器壳体:碳钢喷涂环氧树脂(根据要求可用不锈钢)
滤网:不锈钢
清洗装置:不锈钢
排污阀:铸铁
密封圈:合成橡胶、聚四氟乙稀
六、标准过滤等级 :
微米 | 3500 | 2500 | 1500 | 800 | 500 | 300 | 200 | 130 | 100 |
毫米 | 3.5 | 2.5 | 1.5 | 0.8 | 0.8 | 0.3 | 0.2 | 0.13 | 0.1 |
目 | 4 | 6 | 10 | 20 | 30 | 50 | 75 | 120 | 155 |
七、应用范围
1、冷却水处理——冷却塔、补充水系统、空调系统、直流系统水过滤,减少热交换器内沉淀物的产生,保持其冷却效果。 2、原水处理——可对地表河水、湖水、海水、水库水、井水及地下水进行过滤,除去沙子、细菌、藻类、有机物等等。
3、工业循环用水过滤——在对水质有一定要求的设备如:冷却塔、轧机、连铸机、抛光、水泵、电磁阀、离子交换器、喷雾器、热交换器等或供排水管路上使用,可过滤掉水中杂质,避免管路、喷嘴等零部件堵塞。
4、灌溉——尤其适用于高流量、杂质含量高的水源,农业灌溉、喷灌,公园、高尔夫球场、草皮浇灌等。
5、造纸工业——白水过滤。
八、技术性能
●单台流量:150-2800m³/h,更大流量可由多个单机并联
●最小工作压力:0.2MPa 工作压力:1.0-1.6MPa
●工作温度:75摄氏度
●过滤精度:300-3500微米
●控制方式:压差、时间及手动
●清洗时间:20-60秒。清洗机构转速:14-20rpm
●清洗压损:0.01-0.8MPa
●控制电压:交流220V
●工作电压:三相380V,50HZ
●液晶显示界面,人性化设计操作简便
九、技术参数及外形尺寸
型号 | ST-150 | ST-200 | ST-250 | ST-300 | ST-350 | ST-400 | ST-450 | ST-500 | ST-600 |
管径(mm) | 150 | 200 | 250 | 300 | 350 | 400 | 450 | 500 | 600 |
过滤流量(m³/h) | 150 | 300 | 450 | 600 | 900 | 1200 | 1500 | 2000 | 2800 |
过滤面积(cm²) | 7500 | 7500 | 7500 | 14500 | 17500 | 21500 | 25000 | 25000 | 2600 |
排污阀DN(mm) | 50 | 50 | 50 | 50 | 80 | 80 | 80 | 80 | 80 |
一次清洗水量(L) | 150 | 150 | 200 | 200 | 350 | 350 | 350 | 350 | 350 |
电机功率(KW) | 0.55 | 0.55 | 0.55 | 0.75 | 0.75 | 0.75 | 0.75 | 0.75 | 0.75 |
重量(Kg) | 310 | 320 | 350 | 460 | 510 | 638 | 956 | 1056 | 1243 |
型号 | D(mm) | H(mm) | H1(mm) | H2(mm) | H2*(mm) | L1(mm) | L2(mm) | L(mm) |
St-150 | 430 | 550 | 1100 | 1360 | 2000 | 400 | 360 | 800 |
St-200 | 430 | 550 | 1100 | 1360 | 2000 | 400 | 360 | 800 |
St-250 | 430 | 550 | 1100 | 1360 | 2000 | 400 | 360 | 800 |
ST-300 | 630 | 685 | 1360 | 1660 | 2600 | 510 | 460 | 860 |
ST-350 | 630 | 685 | 1360 | 1660 | 2600 | 510 | 460 | 860 |
ST-400 | 724 | 900 | 1380 | 1710 | 2800 | 610 | 510 | 1100 |
ST-450 | 824 | 765 | 1500 | 1850 | 2850 | 630 | 600 | 1300 |
ST-500 | 924 | 920 | 1720 | 2100 | 3000 | 650 | 660 | 1400 |
ST-600 | 1024 | 1010 | 1850 | 2300 | 3300 | 700 | 710 | 1600 |
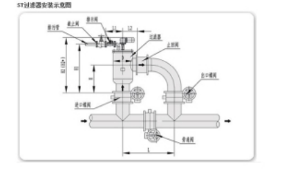
十、ST过滤器安装示意图

内容为空!
